Алмазный круг 1DD6V 200x13x5x22 для обработки кромки стекла (8 мм)

    No Image
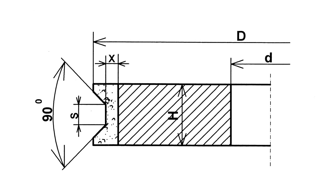
  • Профиль: 1DD6V ( трапеция )
  • Толщина обрабатываемой кромки: 8 мм
  • Диаметр: 200 мм
  • Ширина круга: 13 мм
  • Посадка: 22 мм
Цена: 7 300.00 руб.

Толщина обрабатываемого стекла - 8 мм. Трапецевидный профиль ('еврокромка').

  • Профиль: 1DD6V ( трапеция - трапецевидный профиль, 'еврокромка' )
  • Марка алмазного порошка: AC32 ( высочайшее качество алмазов )
  • Марка связки: М2-01
  • Зернистость, мкр: 80/63 100/80 125/100 (на выбор заказчика)
  • Толщина обрабатываемой кромки: 8 мм
  • Диаметр, мм: 200
  • Ширина круга, мм: 13
  • Толщина алмазоносного слоя, мм: 5
  • Посадка, мм: 22

Применение воды обязательно.

Алмазные круги для обработки стекла (зеркал) являются незаменимым инструментом в стеклопроизводстве. Стекло достаточно специфический материал, он твёрдый, но при этом очень хрупкий. Обычным абразивным инструментом обработать стекло очень трудно, поэтому необходим алмазный инструмент.

Обработка кромки позволяет существенно снизить остаточные напряжения со стекла, что в свою очередь значительно уменьшает вероятность образования трещин и сколов.
Обработанная кромка стекла придает изделию определенную завершенность, а также делает его безопасным.
В наших алмазных кругах для обработки кромки стекла состав подобран исходя из повышения ресурса и отсутствия сколов.

Стоимость восстановления геометрии профиля - 1500 руб.